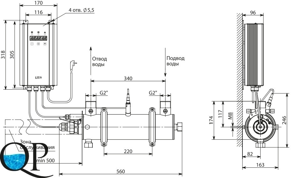
Установка УФ-обработки воды Advanced DUV-1А120-N ADV ZD-OP
Модель УФ-установки серии Advanced представляет собой компактную одноламповую установку, которая оснащается системой контроля УФ интенсивности, дистанционным управлением (включение/выключение установки посредством аналогового сигнала), а также имеет температурный датчик, интегрированный в систему автоматического отключения. В комплект поставки входит компактный пульт управления с индикацией основных параметров работы установки.
Использование метода УФ обеззараживания в комплексах подготовки воды плавательных бассейнов и аквапарков повышает эффективность обеззараживания, снижает расход хлорреагента, позволяет уменьшить концентрацию остаточного свободного хлора в чаше бассейна в несколько раз, что благоприятно сказывается на органолептическом качестве воды, сокращает образование хлорорганических соединений и заметно улучшает состояние воздушной среды в зоне бассейна.
Применение УФ обеззараживания позволяет снизить концентрацию остаточного свободного хлора до минимальных значений 0,1–0,3 мг/л, согласно СанПиН 2.1.2.1188-03.
Компактность и высокий класс защиты позволяют размещать УФ-установку практически в любых помещениях, а возможности удаленного контроля и мониторинга обеспечивают простую интеграцию УФ установки в SCADA-систему комплекса.
При размещении УФ оборудования важно исключить завоздушивание установки (например, применив гидрозатвор после УФ-установки), соблюдать размеры зоны обслуживания (для доступа к УФ оборудованию и запорной арматуре, извлечения УФ ламп и кварцевых чехлов)!
High Output (HO) - это серия энергоэффективных и безопасных коротких амальгамных ламп, которые применяются в представленной модели УФ-установки. Мощность на единицу длины НО-лампы в 1,5–2 раза превышает мощность источников предыдущего поколения, при этом КПД ламп остался на прежнем уровне в 40%. Компоненты в лампах НО полностью удовлетворяют требованиям Директивы Европейской комиссии 2002/95/ЕC по ограничению вредных веществ. Лампы НО имеют возможность регулировки мощности до 50% от номинала, что позволяет экономить электроэнергию при неравномерности расходов и изменении качества обеззараживаемой воды.
|
Кварцевый чехолОтличается повышенным пропусканием УФ излучения на длине волны 254 нм. Система уплотнения лампоузловСверхнадежная и долговечная система уплотнения полностью устраняет риск возникновения протечек воды. |
Датчик служит для постоянного контроля интенсивности УФ излучения в зоне обеззараживания. Сигналы датчика также используются системой управления в режиме регулирования мощности УФ ламп.
|
|
Производитель
|
ЛИТ |
|
Производительность, м³/ч
|
10 |
|
Подсоединение
|
HP 2 |
|
Напряжение, В
|
220 (230) |
|
Материал корпуса
|
Нерж. сталь AISI - 304 |
|
Максимальное рабочее давление, бар
|
10 |
|
Объём бассейна, м³
|
50 |
|
Количество ламп
|
1 |
|
Мощность лампы, Вт
|
120 |
|
Перекачка морской (солёной) воды
|
Нет |
Задать вопрос
Нажимая на кнопку, Вы соглашаетесь на обработку персональных данных от «Kupibas».



HIGH OUTPUT (HO)
УФ датчик













































































































































